Miniatura del producto AD41R de la marca MBM
Logo de la marca MBM

Refrigerador MBM AD41R

El refrigerador MBM AD41R es un electrodoméstico de calidad, diseñado por la reconocida marca MBM, conocida por su innovación y fiabilidad en el ámbito de los equipos electrodomésticos. Este modelo, el AD41R, ofrece rendimientos óptimos y tiene como objetivo mejorar la experiencia del usuario en el día a día.

El MBM AD41R se distingue por su capacidad para mantener sus alimentos frescos mientras optimiza el espacio de almacenamiento. Está equipado con características modernas que garantizan una conservación eficaz de los productos alimenticios. Además, el diseño ergonómico asegura un uso fácil y práctico.

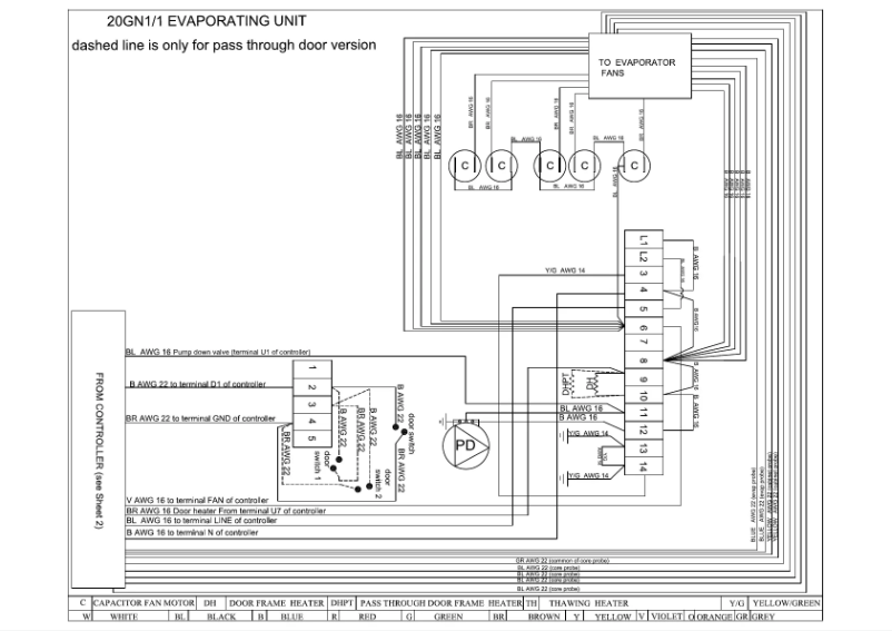
Para acompañar su uso, el refrigerador se entrega con un manual del usuario y un esquema de cableado, lo que le permite instalarlo y utilizarlo sin dificultad.

En resumen, el MBM AD41R es un refrigerador que combina rendimiento y practicidad, ideal para los hogares modernos.

8 10

Nota de la redacción

El refrigerador MBM AD41R se distingue por su diseño moderno y elegante, integrándose armoniosamente en todas las cocinas. La marca MBM es reconocida por su calidad e innovación, lo que refuerza la confianza de los usuarios en este modelo. Las prestaciones son óptimas, aunque cabe señalar que su consumo energético puede ser superior al de algunos modelos más recientes, lo que podría aumentar los costos de electricidad. La facilidad de uso es un gran atractivo, gracias a un manual del usuario detallado y un esquema de cableado proporcionado. Sin embargo, el espacio de almacenamiento interno podría no ser adecuado para familias numerosas, limitando así la capacidad de almacenamiento de alimentos. Además, aunque el producto es robusto, el ruido de funcionamiento puede ser perceptible, particularmente en espacios de vida abiertos. Es importante mencionar que el precio del MBM AD41R es relativamente alto en comparación con otros modelos similares, lo que puede disuadir a algunos compradores. Además, algunas características avanzadas, como el control de temperatura digital, faltan, lo que hace que este refrigerador sea menos competitivo frente a opciones más modernas. En resumen, el MBM AD41R es una elección estética y confiable, pero sus limitaciones en cuanto a funcionalidades y espacio de almacenamiento, así como su precio, deben ser tenidas en cuenta antes de la compra.

Detalles de la nota

Experiencia del usuario

La experiencia del usuario se mejora gracias a un manual de usuario detallado y un esquema de cableado proporcionado, facilitando la instalación y el uso.

Rendimiento

El rendimiento es óptimo, pero el consumo energético puede ser superior al de modelos más modernos, lo que puede resultar en altos costos de electricidad.

Diseño

El diseño moderno y elegante del MBM AD41R se integra perfectamente en todas las cocinas, lo que lo convierte en una opción estética.

Relación calidad/precio

El precio es relativamente alto en comparación con otros modelos similares, lo que puede disuadir a algunos compradores a pesar de la calidad.

Usabilidad

La facilidad de uso es un punto fuerte, aunque el espacio de almacenamiento interno puede no ser óptimo para familias numerosas.

Funcionalidades

Algunas características avanzadas, como el control de temperatura digital, faltan, lo que puede hacerlo menos competitivo frente a otros refrigeradores recientes.

Robustez

La marca MBM es conocida por su fiabilidad, pero el ruido de funcionamiento puede ser perceptible, lo que podría resultar molesto en espacios de vida abiertos.


Ventajas

Diseño moderno que se adapta a todas las cocinas.

Tecnología optimizada para bajo consumo de energía.

Manual detallado y diagrama de cableado incluido.

Marca reconocida por su fiabilidad y calidad.

Espacio de almacenamiento generoso para organizar los alimentos.

Desventajas

Precio elevado en comparación con los competidores

Consumo energético más alto

Ruido perceptible durante el funcionamiento

Espacio de almacenamiento insuficiente para familias

Falta de características avanzadas modernas

Especificaciones técnicas AD41R

Generalidades

Preguntas frecuentes

¿Cómo prevenir la acumulación de agua en las placas de vidrio de mi refrigerador?
Varios factores pueden ser la causa. Se recomienda verificar lo siguiente: - ¿Está limpio el orificio de drenaje? - ¿Cierra correctamente la puerta del refrigerador? - ¿Está demasiado lleno el refrigerador, lo que podría afectar la circulación del aire? - ¿Está la temperatura ajustada por debajo de 5 grados?
¿Qué hacer si mi refrigerador emite un olor desagradable?
Una solución frecuentemente recomendada para eliminar los malos olores consiste en verter vinagre en el desagüe en la parte trasera del aparato y colocar una taza de vinagre dentro del refrigerador durante un tiempo.
¿Qué distancia debo dejar alrededor de mi refrigerador?
Se aconseja dejar al menos 2.5 centímetros de espacio alrededor de su refrigerador para asegurar una buena ventilación.
¿Qué es el R-410A?
El R-410A es un tipo de refrigerante utilizado en los aparatos capaces de enfriar hasta cero grados Celsius.
¿Está disponible el manual del MBM AD41R en francés?
Lo sentimos, pero el manual del MBM AD41R no está disponible en francés. Solo está disponible en inglés.

Productos similares


Descubre la ficha técnica del producto S3C172FP de la marca Smeg y sus manuales...
Manuales disponibles:
Descubre la ficha técnica del producto A5A20 de la marca MBM y sus manuales...
Manuales disponibles:
Descubre la ficha técnica del producto A140TN-TN de la marca MBM y sus manuales...
Manuales disponibles:
Descubre la ficha técnica del producto A13A80 de la marca MBM y sus manuales...
Manuales disponibles:
Descubre la ficha técnica del producto U3C080P de la marca Smeg y sus manuales...
Manuales disponibles:
Descubre la ficha técnica del producto KF 2320-00 de la marca Gram y sus manuales...
Manuales disponibles:
Descubre la ficha técnica del producto A5A12 de la marca MBM y sus manuales...
Manuales disponibles:
Descubre la ficha técnica del producto SMB 70 A1 de la marca SilverCrest y sus manuales...
Manuales disponibles:
Descubre la ficha técnica del producto BRB2G0135WW de la marca Samsung y sus manuales...
Manuales disponibles:
Descubre la ficha técnica del producto A10A45 de la marca MBM y sus manuales...
Manuales disponibles:
Descubre la ficha técnica del producto SMB 140 A1 de la marca SilverCrest y sus manuales...
Manuales disponibles:
Descubre la ficha técnica del producto A13A60 de la marca MBM y sus manuales...
Manuales disponibles:

Presentación de las especificaciones del producto AD41R de la marca MBM

Generalidades

El refrigerador MBM AD41R es un producto de la marca MBM, reconocida por su compromiso con la calidad y la innovación en el sector de los electrodomésticos. Este modelo, el AD41R, está diseñado para ofrecer un rendimiento óptimo mientras mejora la experiencia del usuario gracias a sus características prácticas.

Su diseño moderno y elegante le permite integrarse armoniosamente en cualquier cocina, añadiendo un toque contemporáneo a su espacio. El aparato también se distingue por su tecnología avanzada, que asegura una eficiencia energética, contribuyendo así a reducir los costos de consumo eléctrico.

El refrigerador MBM AD41R es fácil de usar, acompañado de un manual de instrucciones detallado y un esquema de cableado, lo que facilita su instalación y funcionamiento. Además, la reputación de la marca en cuanto a fiabilidad refuerza la confianza de los usuarios en la durabilidad de este aparato.

Con un espacio de almacenamiento generoso, este modelo permite una organización óptima de los alimentos y bebidas, aunque puede presentar algunas limitaciones para las familias numerosas en términos de capacidad de almacenamiento. Además, algunos usuarios podrían encontrar que el nivel de ruido de funcionamiento es perceptible, especialmente en espacios de vida abiertos o durante la noche.

Finalmente, cabe señalar que algunas características avanzadas, como el control digital de la temperatura, pueden faltar, lo que puede influir en la competitividad del MBM AD41R en comparación con otros refrigeradores más recientes en el mercado.