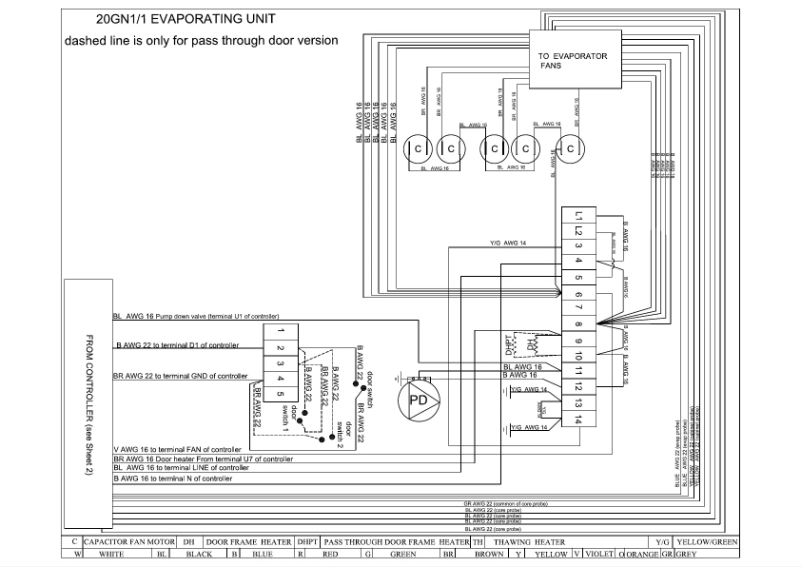
Miniatura del producto Diagrama de cableado

Diagrama de cableado : MBM AD21R Refrigerador

MBM Electrodomésticos Refrigerador

Busca entre las 2 pages del manual: Diagrama de cableado Refrigerador MBM AD21R para encontrar la información que necesitas. ¿No encuentras las respuestas a tus preguntas? Reserva una asistencia por video en menos de 2 minutos.

Características

Marca MBM
Modelo AD21R
Categoría Electrodomésticos
Tipo de producto Refrigerador
Número de páginas 2 Páginas
Tipo de archivo
Página / 2
Página 1 del manual Diagrama de cableado MBM AD21R