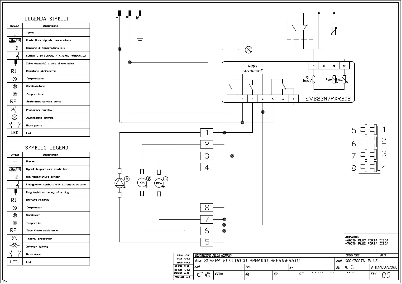
Miniatura del producto Diagrama de cableado

Diagrama de cableado : MBM A70TNG Refrigerador

MBM Electrodomésticos Refrigerador

Busca entre las 1 page del manual: Diagrama de cableado Refrigerador MBM A70TNG para encontrar la información que necesitas. ¿No encuentras las respuestas a tus preguntas? Reserva una asistencia por video en menos de 2 minutos.

Características

Marca MBM
Modelo A70TNG
Categoría Electrodomésticos
Tipo de producto Refrigerador
Número de páginas 1 Página
Tipo de archivo
Página / 1
Página 1 del manual Diagrama de cableado MBM A70TNG